it
en
HOME
Azienda
Storia
Filosofia
Il Gruppo
Certificazioni
Plus Almar
Sistemi di montaggio e brevetti
Top Speed
Top Speed Comfort
Flat
MRM Comfort
Velox Fix
Plano 3
VarioStar Basic
Progettazione/Soluzioni
Trattamento High Coat
Trattamento ABACO
Siti di produzione
Prodotti
Finiture disponibili
Maniglie in ottone e altri materiali
Design classico
Maniglie su placca
Maniglie su rosetta
Design moderno
Maniglie su placca
Maniglie su rosetta
Maniglie in acciaio inox
Design tondo
Maniglie su placca
Maniglie su rosetta
Design square
Maniglie su placca
Maniglie su rosetta
Martelline
Martelline in acciaio inox
Martelline in ottone e altri materiali
Martelline Classiche
Martelline Moderne
Accessori per finestre
Manettoni e set di montaggio
Manettoni
Set sistemi di montaggio
Maniglioni alzanti/scorrevoli
Pomoli
Pomoli in ottone
Pomoli in acciaio inox
Accessori
Appendi abito
Battenti
Catenelle
Chiudi-porta
Fermaporta
Numeri e lettere
Nicchie similari per porte scorrevoli
Sfere
Spioncini
Targhette
WC libero/occupato
News ed eventi
Contatti
TOP SPEED OVALE
FLAT
TOP SPEED Ø 55MM
PLANO TONDA
MRM
VARIOSTAR Ø 50/55MM
GALINA ø22mm
cod:
I1029R
Materiale: acciaio inox
Finiture
-- --
Acciaio inox satinato
Acciaio nero
Nero opaco
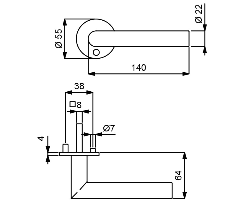
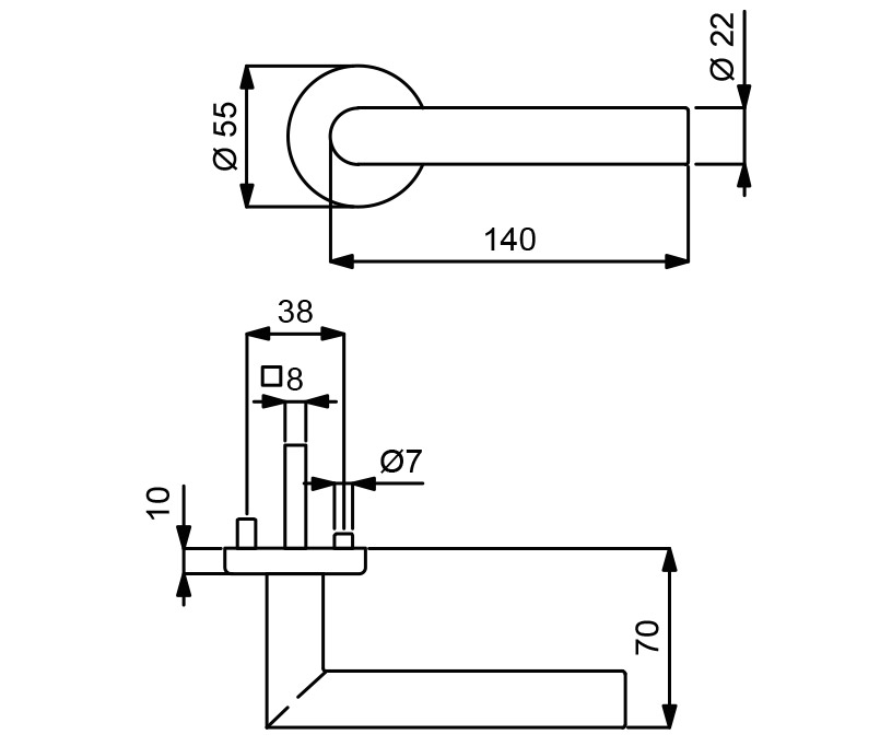
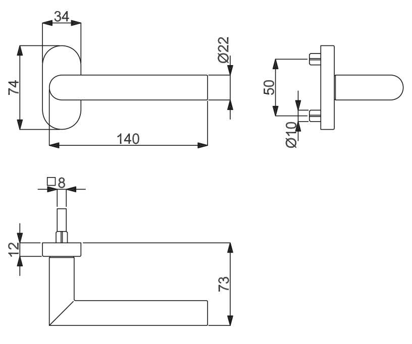
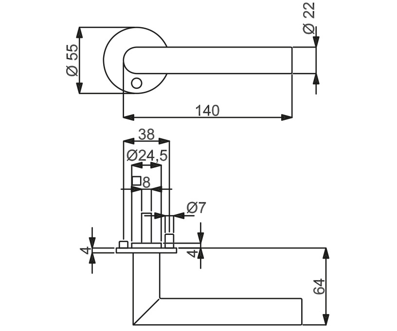
Sistemi di montaggio
Misure e disegno tecnico
Top-Speed tondo Top-Speed-Comfort Variostar
Top-Speed ovale
FLAT
FLAT con molla
Prodotti correlati
GALINA ø22mm
I1029
SCOPRI
GALINA ø22mm
I1029DK
SCOPRI